WMJ-9980 测量显微镜结合了金相显微镜的高倍观察能力,和影像测量仪的 X、Y、Z 轴表面尺寸测量功能,具备明暗场、微分干涉、偏光等多种观察功能。可广泛应用于半导体、PCB、LCD、手机产业链、光通讯、基础电子、模具五金、医疗器械、汽车行业、计量行业等领域的检测。
咨询热线:021-31576786 / 021-31576785
服务承诺:一年保修,终身维护
价格咨询请点击此处,将有专业在线工程师为您服务,也可以来电咨询:
WMJ- 9980 测量显微镜结合了金相显微镜的高倍观察能力,和影像测量仪的 X、Y、Z 轴表面尺寸测量功能,具备明暗场、微分干涉、偏光等多种观察功能。可广泛应用于半导体、PCB、LCD、手机产业链、光通讯、基础电子、模具五金、医疗器械、汽车行业、计量行业等领域的检测。
1 . 良好的光学技术呈现出色成像
WMJ-9980测量显微镜采用良好的无限远光学系统搭配半复消色差物镜,提高了成像衬度和清晰度,用户可以得到鲜明、清晰的对比度图像。只需简单操作即可实现明暗场,偏光,微分干涉等多种成像方式。

2 . 人体工学设计实现舒适操作性
人体的舒适度在很大程度上主导了工作的进展、效率、完成度。WUMO 努力让工具尽量适合人体的自然形态,这样在使用工具的过程中,人的身体无需主动适应,从而减少使用工具造成的疲劳。欢迎体验 WUMO 的舒适操作。
3 . 精密的测量工具保证结果的准确性
测量工具的严谨恰好体现了品牌的品质。随着现代制造技术日益小型化和精密化,高精度测量也日趋重要。WMJ- 9980 测量显微镜采用 0.1μm 读数的3 轴测量系统,利用 X、Y 轴高精度光栅尺可进行水平方向测量,电动 Z 轴调焦可操作性强,降低疲劳。

4 . 独立裂像光源辅助对焦
独立的裂像光源控制器,可根据样品不同背景进行光源亮度调节,清晰准确显示最佳焦面。有两种裂像图案可供选择,并随意切换。

5 . 自主研发测量软件
WMJ-9980测量显微镜配备了操作简单,功能强大的测量软件,客户可根据需要设置测试偏好。即使对复杂的形状,也可以进行高精度的测量。

6 . 应用实例

价格咨询请点击此处,将有专业在线工程师为您服务,也可以来电咨询:
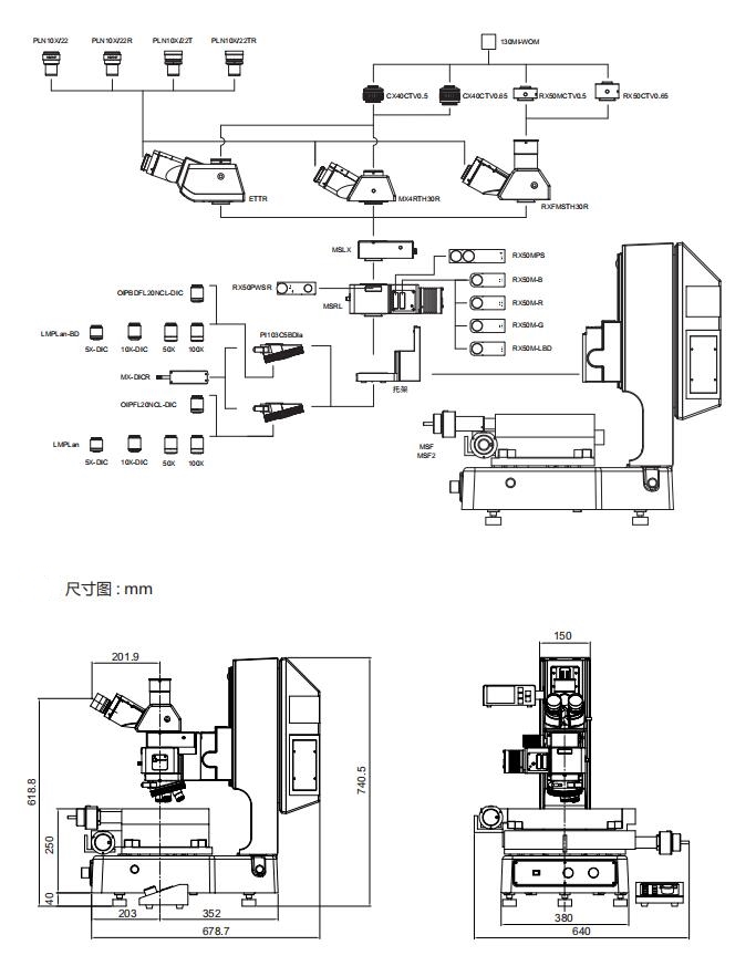
详细参数
光学系统
无限远光学系统
观察头
30°倾斜,正像,无限远铰链三通观察筒,瞳距调节 :50-76mm,两档分光比 100/0 或 0/100
5° ~35°倾斜,正像,无限远铰链三通观察筒,瞳距调节 :50-76mm,两档分光比 :100/0 或 0/100
30°倾斜,倒像,无限远铰链三通观察筒,瞳距调节 :50-76mm,两档分光比 :100/0 或 50/50
目镜
高眼点大视野平场目镜 PL10X/22mm,可带测微尺
高眼点大视野平场目镜 PL10X/22mm,视度可调,可带测微尺
转换器
内定位 5 孔转换器
内定位明暗场 5 孔转换器
物镜
无限远长工作距平场消色差金相 DIC 物镜(5X、10X)
无限远超长工作距平场半复消金相 DIC 物镜(20X)
无限远长工作距平场消色差金相物镜(50X、100X)
无限远长工作距平场明暗场消色差金相物镜(5X、10X)
无限远超长工作距平场明暗场半复消金相 DIC 物镜(20X)
无限远长工作距明暗场半复消金相物镜(50X、100X)
放大倍率
光学放大倍率 :50X-1000X
系统放大倍率 :135X-2700X
测量显微镜主体
手动测量平台(行程 200mm(X)×100(Y)mm,带数显器,带电动调焦控制盒;样品高度 175mm;测量精度,X 和 Y :(2+L/200)μm,L 为测量长度(单位 mm) Z:(3+L/200)μm
手动测量平台(行程 300mm(X)×200(Y)mm,带数显器,带电动调焦控制盒;样品高度 175mm;测量精度,X 和 Y :(2+L/200)μm,L 为测量长度(单位 mm) Z:(3+L/200)μm
照明系统
明暗场反射照明器,带明暗场照明切换装置 ;带滤色片插槽与偏光装置插槽,带 5WLED 灯源,亮度可调(含托架适配器)
辅助对焦模块,带对焦分划板两档,带绿光 5WLED 灯源组(含 100V-240V 宽电压,5WLED 控制器)
调焦方式
电动手轮控制调节,调焦距离 175mm
相机
像素 130 万 ;1280(H)×1024(V) ;帧率 :30fps ;接口 :USB2.0 ;图像传感器 :CMOS(彩色)
摄影摄像接口
0.65XCTV、C 型接口、可调焦
0.5XCTV、C 型接口、可调焦
PC
联想(ThinkCentre)一体机
软件
精密测量软件
其他附件
起偏镜插板,360°旋转式检偏镜插板 ;反射用干涉滤色片组 ;高精度测微尺 ;DIC 组件 ;标定片


地址:上海市浦东新区海基六路218弄16号
TEL: 021-31576786,021-31576785上海无陌光学仪器有限公司版权所有 备案号:沪ICP备18025593号-1 地址: 上海市浦东新区海基六路218弄16号
全国统一服务热线:021-31576785 / 021-31576786 传真:021-31576785